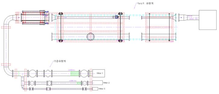
Regulator Flow test bench

Business contents

Business contents

Measure Form
-Master Meter or Sonic nozzle

-Mass, Ultrasonic flow

Measure Range(㎥/h)
-1 ~300

Number of measure at same time
-Regulator 1 Units